金属屋顶光伏发电系统防水密封的设计
随着经济和生活对能耗的需求越来越大,化石燃料已经不能满足人们对能源的需要,对新能源的迫切需求,使得太阳能建筑光伏发电成为我们未来清洁能源的不二选择。在**大力发展建筑光伏发电系统技术的同时,涉及到许多问题,特别是在改扩建项目中,需要与原来的主体结构有很好的连接,才能保证光伏发电系统的受力性能和防水密封性能。
金属屋顶光伏发电系统
金属屋面系统包括:直立锁边铝镁锰金属屋面系统、立边咬合系统、平锁扣式屋面墙面系统、二次屋面系统、角驰屋面系统、暗扣式屋面系统。金属屋顶各式各样,光伏阵列的安装方式也多种多样。
要在金属屋顶安装光伏系统,主要通过各种连接件将金属屋面太阳能光伏支架系统连接在屋顶上。一般情况下,对于直立锁边铝镁锰金属屋面系统、立边咬合系统、角驰屋面系统,只要金属屋顶的防水层不被破坏,在安装光伏阵列注意施工、做足防护措施,屋顶的防水建筑功能就不会破坏。 对于解决这类的防水密封问题,就是解决金属屋顶的防水问题。
工程实例:
通过对现场的考察以及和业主的沟通,充分了解现场屋面的情况后,总结屋面的漏水产生的原因主要有以下几种:
1、原来屋面板连接位置的锈蚀;
2、屋面没有固定的检修通道,检修人员的走动,容易造成局部板的破坏,引起漏水;
3、原来采光天窗的防水处理没有做好,局部漏水严重;
针对上述的产生漏水的原因,分别可用以下途径解决:
1、对于锈蚀位置的处理
1)预处理:
金属屋面施工前仔细彻底检查整个屋面的漏水状况,对其进行预处理,确保金属屋面牢固、干净、无锈蚀、无杂物、灰尘,不符合上述情况则分别作如下处理:
A、更换已生锈固件,在适当的位置增加固件;
B、用除锈砂纸将生锈区域打磨干净,直至呈现金属本色,然后涂一层基层涂料;
C、清除杂物,灰尘及其它脏物;
2)对屋面的锈蚀位置做防水处理,选用防水涂料进行喷涂。
金属屋面搭接处:
金属屋面搭接处先涂一层基层涂料,在其仍为湿润时,把15~20厘米宽的缝织聚酯布嵌入其中,再从上面用基层涂料充分浸润缝织聚酯布,以至全干。
建造检修走道:
在解决屋面漏水之后,制作专门的检修通道,以避免后期的各项维护工作对屋面造成再次破坏。
具体来说,检修通道固定在金属屋面板突出的肋上,通过设置一道金属格栅来提供检修人员的通道。避免随意走动对屋面造成的破坏。
2、对于屋面突出物周边的处理
1)金属屋面的突出物(如烟囱、出气孔、风机口等):裁剪尺寸、形状合适的缝织聚酯布,并按技术要求裁剪好,在突出物周围涂一层基层涂料,把裁剪好的缝织聚酯布铺于其上,再从上面用基层涂料充分浸润缝织聚酯布,确保不起泡、不起皱。

2)金属屋面固件:用10㎝×10㎝的缝织聚酯布,按上述同样的方法处理。

图2 原金属屋面防雷带
3)金属屋面天沟:天沟搭接缝,落水口等处先做金属屋面局部防水处理,然后在更大防水范围涂一层涂料,在其仍为湿润时铺上缝织聚酯布,再从上面用浆料充分浸润缝织聚酯布,以至全干。至少12小时后,*后再涂一层浆料。

图3 金属屋面与排水沟结合处
3、光伏组件支架的安装方式
该金属屋面的为立边咬合结构的金属屋面,如下图,屋面的支撑受力点就在屋面板的肋上,而我们所设计支架就是通过金属夹固定在屋面板的肋上,不仅无任何穿孔,而且能使屋面板咬合更为牢固,可以解决因为屋面板咬合松动引起的漏水问题。

图4 金属屋面搭接处

图5 电池板在金属屋面安装方式

图6 电池板在金属屋面安装方式三维图
光伏采光顶
光伏采光顶是光伏建筑一体化的表现,即用双玻光伏组件材料制成的有采光功能的建筑顶部,具有发电功能和建筑功能。光伏采光顶的光伏组件将自身所承受的各种荷载通过硅酮类的结构胶传递给铝合金副框,再通过压块和自钻自攻钉将副框的线荷载传递给横梁和立柱。同时,对于室外,硅酮类的结构胶也起到了密封作用。因此,正确选用硅酮类结构胶、合理进行节点设计、控制施工质量,是确保光伏采光顶结构安全性的关键。而采光顶的气密性和水密性则主要依靠硅酮类密封胶来保证,硅酮类结构胶好比人的牙齿,而硅酮类密封胶好比人的嘴唇,唇亡齿寒,缺一不可。
工程实例:
光伏采光顶的安装:
1、测量放线,根据主体施工单位移交的轴线、标高以及网架球节点施工记录进行必要的复核,确定网架球节点是否适用,按采光顶布置图进行全面的测量放线,确定采光顶安装轴线标高,并及时整理把测量数据提交业主等相关方确认,对预埋件偏差数据反馈设计人员,提出处理意见报业主等确认;
2、将球节点上的油膏清除,将支托安装在球节点上;
3、横梁安装;
4、玻璃面层的安装包括面层安装、清洁、打胶。
该采光顶为排水坡度为3%的单坡采光顶,先将双玻光伏组件放置在设计位置,通过双边压块和自钻自攻钉将双玻组件固定、卡在铝轨上,在双玻光伏组件面层之间的缝隙里塞泡沫棒、打耐候密封胶形成装饰面层。待面层安装完成后,即可安排打胶。打胶首先在胶缝两侧饰面上粘贴好保护胶带,再把泡沫条均匀地填入胶缝中,泡沫条表面应与饰面表面距离控制在5-7mm 之间,以保证密封胶的厚度,用清冼液清洁胶接触面,然后行同一方向用打胶枪把密封胶均匀地注入胶缝内,并立即用胶筒或灰刀刮平,去除保护纸,避免过长时间形成污染。打胶是检验安装是否成功的一个重要环节,不但是外观的点晴之笔,且直接影响采光顶的防渗功能。打胶时还要注意天气情况,杜绝雨天,避免高温与低温5 度以下作业,以确保打胶质量,并保证胶缝粗细均匀,表面美观流畅。安装开启部位必须仔细,止水胶垫、支撑等,确保满足设计要求以及启闭灵活。
5、清洁、交验安装面层完成后,及时清洗于净外饰面,并向业主等相关方提交报验申请验收。工程竣工后需组织验收前的清理工作。

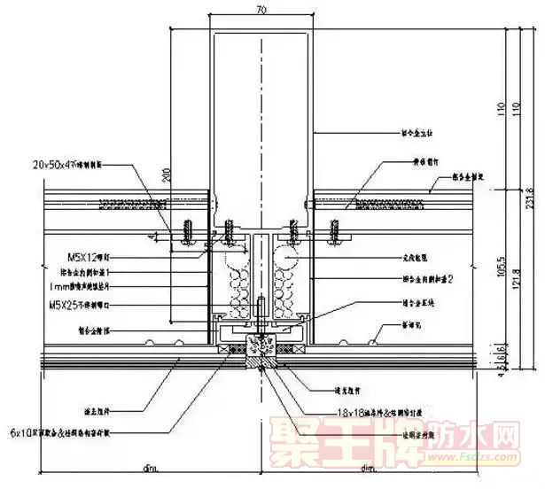
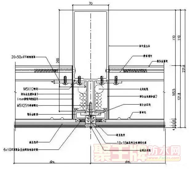
图7 隐框采光顶横剖面节点示意图

图8 隐框采光顶竖剖面节点示意图
光电幕墙
考虑到遮挡、光伏组件的加工限制,目前的光电幕墙以隐框幕墙为主流。在隐框幕墙工程中,无论是面层的结构装配,还是实现幕墙气密性、水密性等建筑功能,主要依赖硅酮胶。光电幕墙用硅酮类的结构胶将光伏组件粘结在支撑结构上。硅酮结构胶是专为建筑幕墙结构装配而设计的。可在一般的气候条件下轻易挤出使用。硅酮类的结构胶强度高,能承受较大荷载,且具有耐老化,耐腐蚀,耐疲劳的特点。硅酮密封胶这种材料具有耐高低温、耐紫外线照射、耐雨水而不会老化的特点,是使用寿命最长的密封胶,因此称为耐候胶。所以合理设计和运用硅酮结构胶和硅酮密封胶变得尤为重要。

图9 隐框幕墙横剖面节点示意图

图10 隐框幕墙竖剖面节点示意图
总结
根据某新能源公司的卞工介绍:光伏方阵与建筑结合的方式不同,光伏建筑一体化可分为两大类:一类是光伏方阵与建筑的结合,如在混凝土屋顶、金属屋顶上安装光伏系统。另一类是光伏方阵与建筑的集成。如光电瓦屋顶、光电幕墙和光电采光顶等。
目前在建的光伏发电项目,大多数是在已经建成的建筑上安装,所以迫切的需要研究新增加的光伏系统支撑结构与原来的结构直接的防水密封问题。本文初略的总结的目前常用的集中光伏系统的防水密封方式,与大家一起探讨。对于如何解决建筑光伏发电系统中的防水密封问题,我们在注重保护和修复原有建筑的同时,解决好与原有建筑之间的防水密封处理。
